Home Cleverscope | Oscilloscopes Cleverscope Capabilities Tour
Cleverscope | Oscilloscopes

Cleverscope Capabilities Tour

Explore the diverse capabilities of Cleverscope oscilloscopes and their applications, including stepper motor control, signal generation, spectrum analysis, advanced triggering, and mathematical processing for precise signal analysis and system evaluation..

  • Detail
  • Special Features
  • Specification

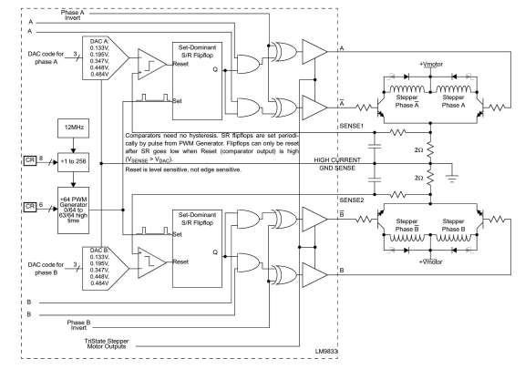
The Cleverscope Capabilities Tour highlights the extensive range of features that Cleverscope oscilloscopes provide for a variety of applications, from stepper motor control to filter response evaluation and spectrum analysis. These features make Cleverscope an ideal choice for engineers working with complex signal processing and system testing.

Key applications include:

  • Stepper Motor Control: Using PWM for precise control and feedback in motor systems.

  • Custom Units: Easily set up custom units for measuring specific system components.

  • Zooming Tracking Graph: Allows in-depth inspection of captured signals with high resolution.

  • Mathematics Module: Used for extracting detailed signal information, including filtering and processing.

  • Dual Trigger Capture: Enables complex event sequencing for mixed-signal systems.

  • Spectrum Display and Signal Generator: Used together for testing and analyzing frequency responses.

Cleverscope’s design is focused on providing fast, reliable, and precise signal measurement, making it suitable for applications across various industries, from manufacturing to research.

  • Versatile Oscilloscope: Combines analog, digital, and spectrum analysis for comprehensive testing.

  • Signal Generator: Built-in sine, square, triangle, and DC signal generation for system testing.

  • Mathematical Processing: Powerful Maths module for signal filtering, differentiation, integration, and more.

  • Dual Trigger Capture: Allows sequenced mixed-signal triggering for complex signal analysis.

  • Dynamic Range Optimized: Automatic scaling and offset for maximizing ADC resolution.

  • Count-Based Triggering: Trigger on a specified number of signal events, perfect for precise measurement.

Parameter Details
Oscilloscope Type Mixed Signal (Analog + Digital) Oscilloscope
Signal Generator Sine, square, triangle, and DC waveforms
Mathematical Processing Differentiation, Integration, Filtering, etc.
Maximum Memory 4M samples for detailed signal analysis
Zooming Resolution 10 ns resolution (when applicable)
Dual Trigger Capability Allows for mixed-signal event-based triggering
Dynamic Range Optimized for best ADC resolution
Sample Rate Up to 1000 MSa/s (depending on configuration)
Triggering Options Count-based, period-based, and edge triggers
Custom Unit Setup Flexible unit naming and customization
Advanced Filters FIR, low-pass, high-pass filtering options
External Trigger Input Yes, for mixed signal systems
Graph History Allows tracing back over previous measurements
Comparison with Other Scopes Detailed feature comparison with other scopes